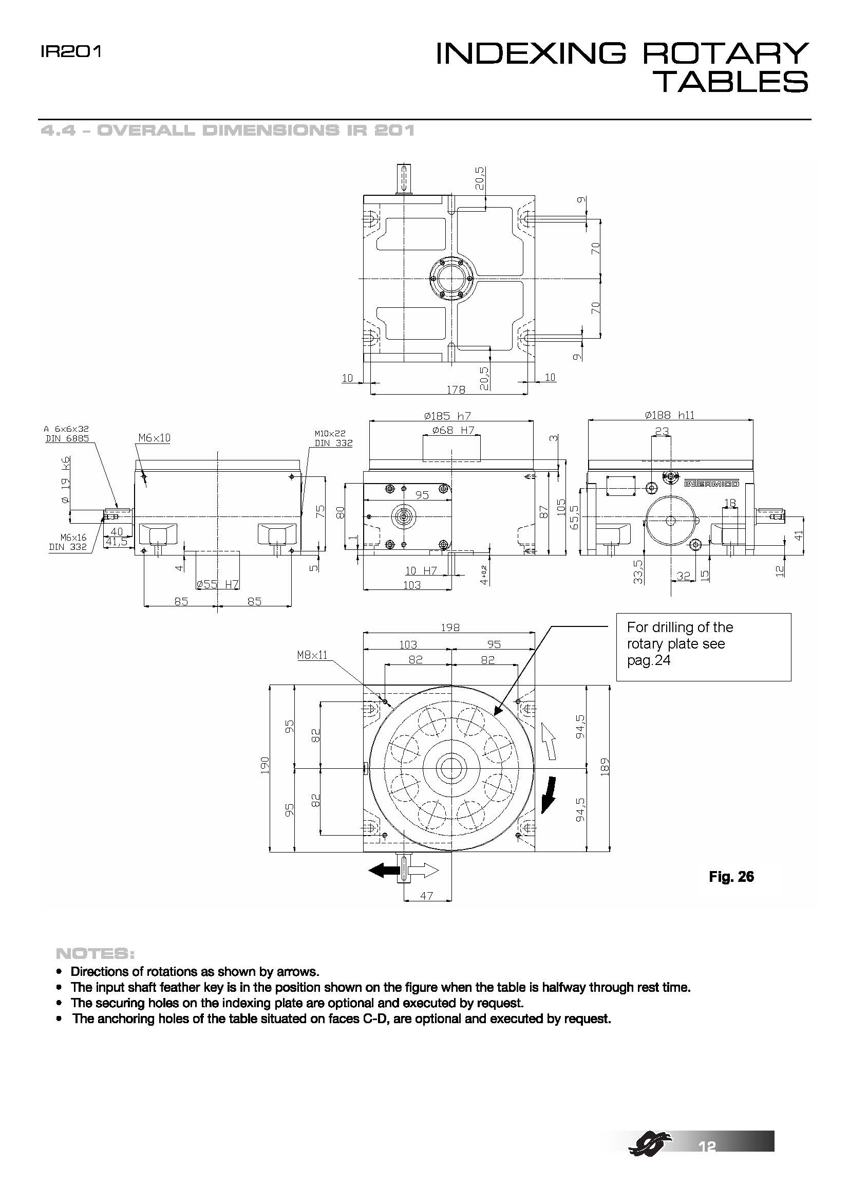
技术规格
| 气缸凸轮标准型号: | 17 |
| 轴安装: | 垂直水平 |
| 表盘直径mm: | 185 至 2000 |
| 传动扭矩(Nm): | 高达 180.000 |
| 标准号 站数(负载由大交叉滚子轴承支撑): | 2 至 34 |
| 凸轮索引周期: | 270° - 300° - 310° - 330° |
描述
COLOMBO FILIPPETTI spa "IR" Minindex 系列的分度转台是圆柱形凸轮机械装置,可将输入轴的匀速旋转运动转换为输出表盘的分度旋转运动。












































































传真:0510-86199978
邮箱:info@andrewen.com
手机号:18961619099
地址:江苏省江阴市澄江东路3号
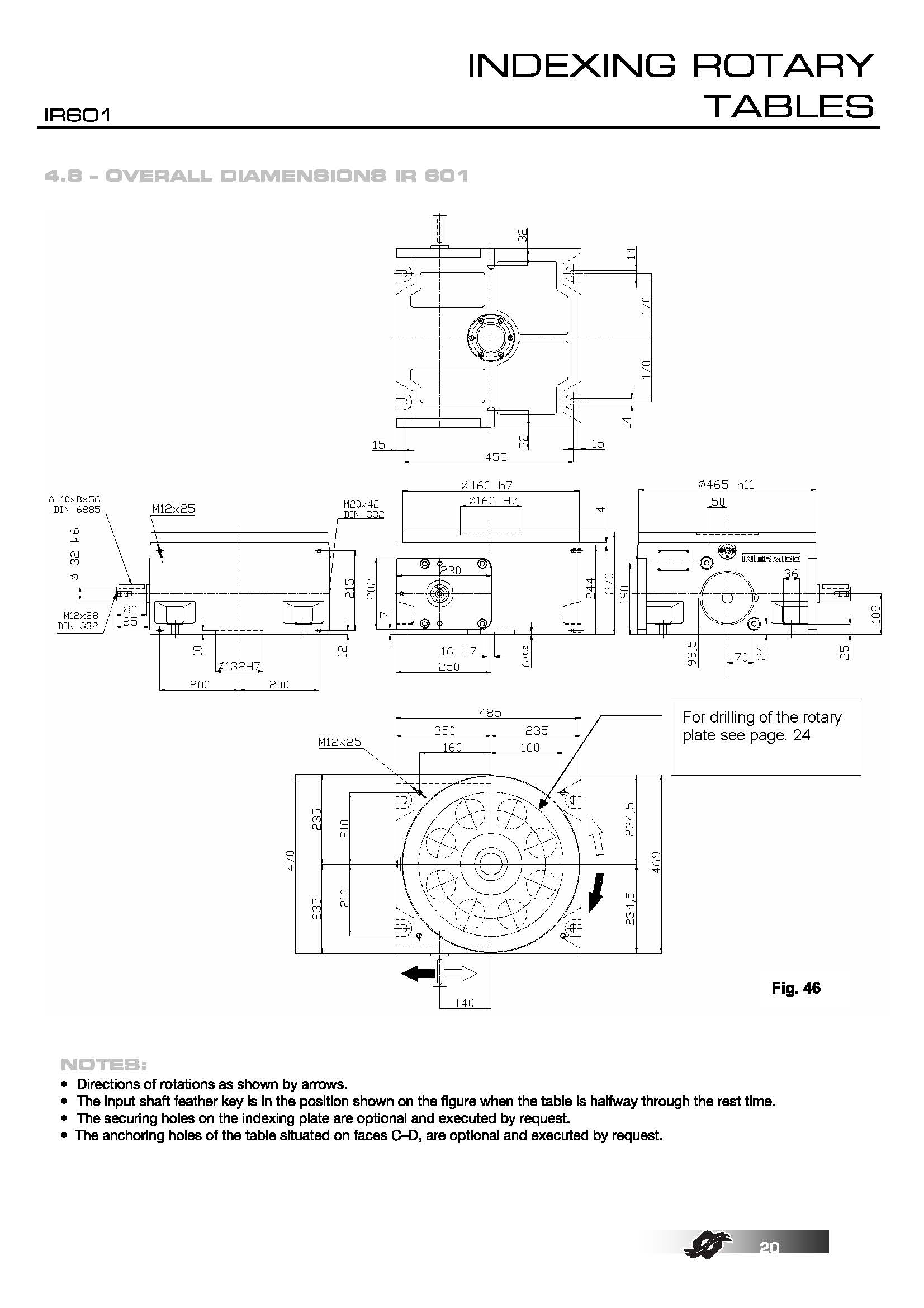
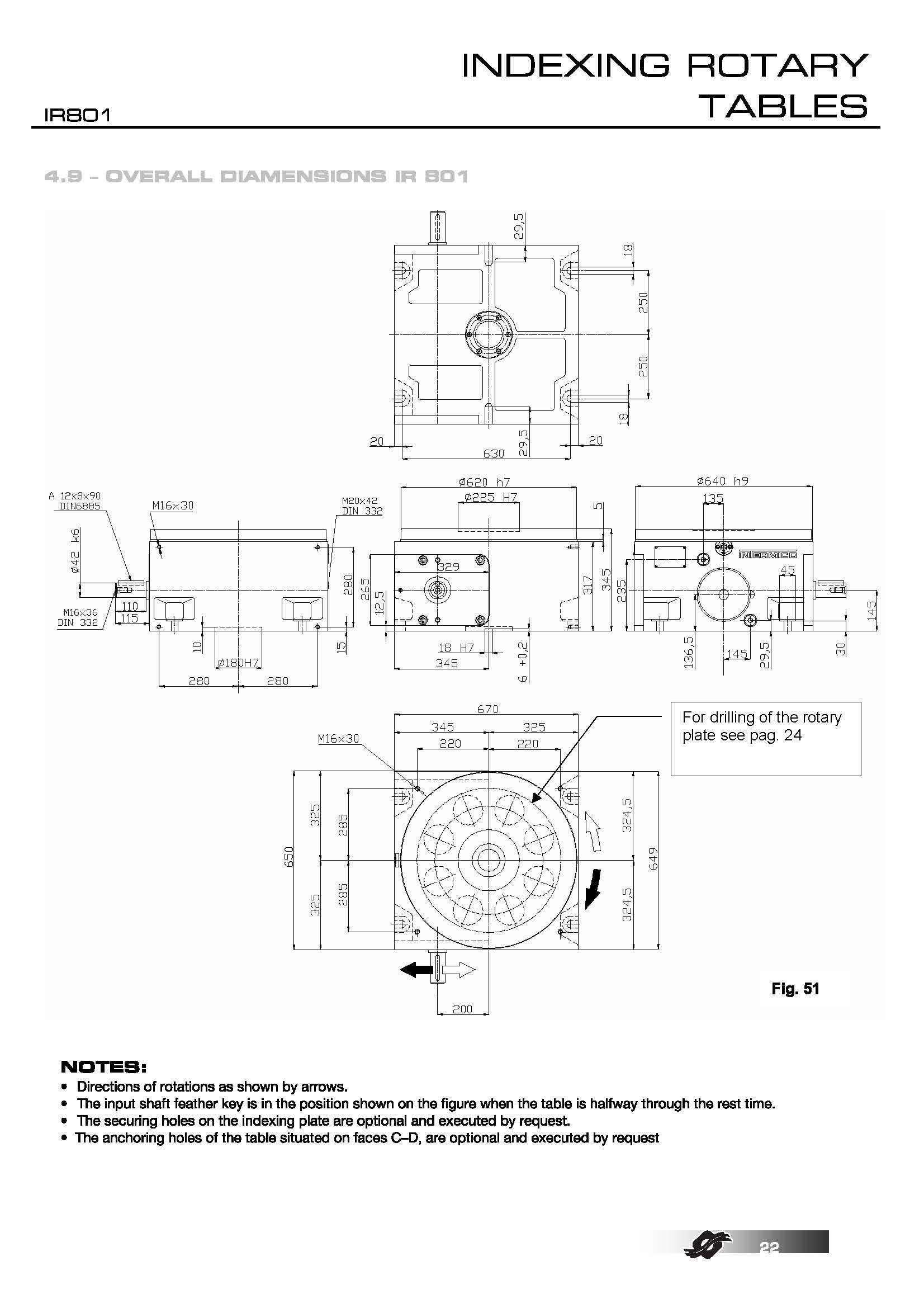
技术规格
| 气缸凸轮标准型号: | 17 |
| 轴安装: | 垂直水平 |
| 表盘直径mm: | 185 至 2000 |
| 传动扭矩(Nm): | 高达 180.000 |
| 标准号 站数(负载由大交叉滚子轴承支撑): | 2 至 34 |
| 凸轮索引周期: | 270° - 300° - 310° - 330° |
描述
COLOMBO FILIPPETTI spa "IR" Minindex 系列的分度转台是圆柱形凸轮机械装置,可将输入轴的匀速旋转运动转换为输出表盘的分度旋转运动。










































































