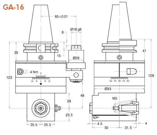
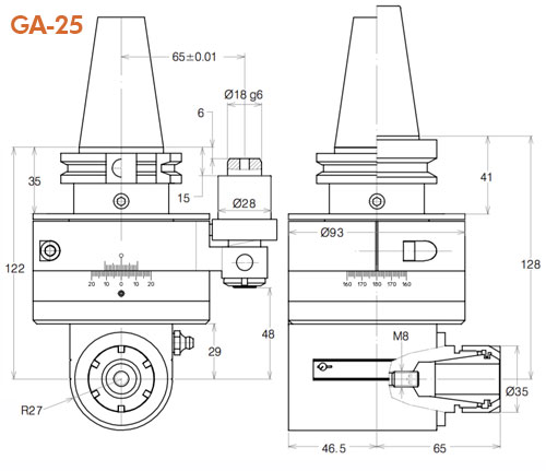
直角头

来自航空、汽车、模具制造、机械、齿轮制造和医疗等各个行业的数千名满意客户
钻孔、攻丝、铣削、镗孔、操作
适用于配备 SK、BT、HSK、DIN2080、CAT、Capto、KM 和双触点主轴的 CNC 加工中心
紧凑而坚固
冷却液通过分度臂或锥度
身体的 360° 分度
GA 角头 - 标准长度













GA-L 角头 - 加长










带 ISO 输出的 GA-X 角头





传真:0510-86199978
邮箱:info@andrewen.com
手机号:18961619099
地址:江苏省江阴市澄江东路3号

来自航空、汽车、模具制造、机械、齿轮制造和医疗等各个行业的数千名满意客户
钻孔、攻丝、铣削、镗孔、操作
适用于配备 SK、BT、HSK、DIN2080、CAT、Capto、KM 和双触点主轴的 CNC 加工中心
紧凑而坚固
冷却液通过分度臂或锥度
身体的 360° 分度
GA 角头 - 标准长度













GA-L 角头 - 加长










带 ISO 输出的 GA-X 角头



